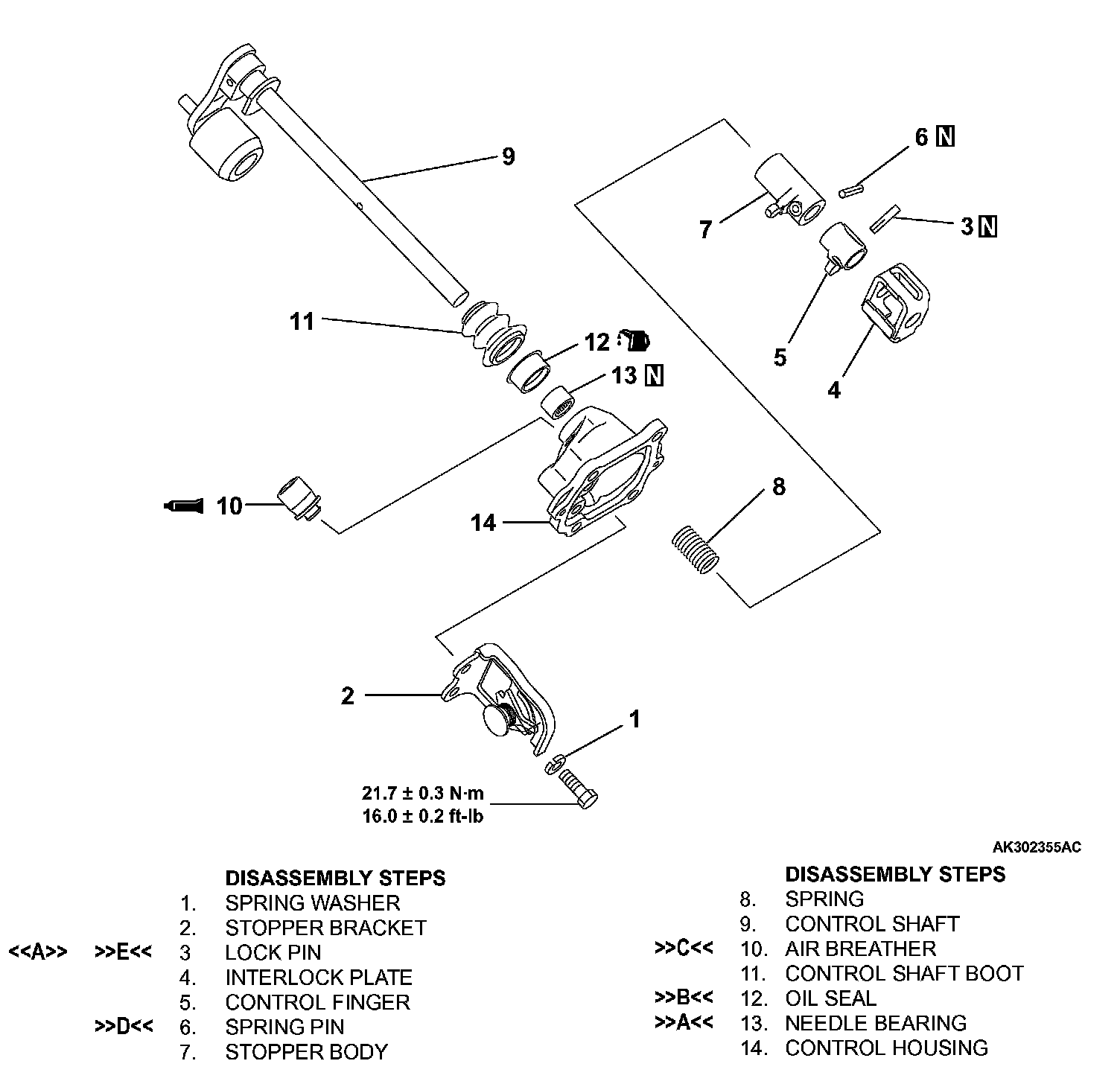
Control Housing

DISASSEMBLY AND ASSEMBLY
DISASSEMBLY SERVICE POINT
<> LOCK PIN REMOVAL

Drive out the lock pin from the direction shown.
ASSEMBLY SERVICE POINTS
>>A<< NEEDLE BEARING INSTALLATION

Press fit the needle bearing into the control housing side as shown.
Make sure that the side with the model number stamped on it faces the end of the control housing as shown.
>>B<< OIL SEAL INSTALLATION

Apply gear oil (Hypoid gear oil SAE 75W-90 or 75W-85W conforming to API classification GL-4) to the oil seal lip area.
>>C<< AIR BREATHER INSTALLATION

1. Apply sealant (3M AAD Part Number 8001 or equivalent) to the inserting portion of air breather.

2. Install the air breather so that the embossed mark is in the direction shown in the illustration.
>>D<< SPRING PIN INSTALLATION

Drive in the spring pin so that the slit is in the direction shown in the illustration.
>>E<

Drive the lock pin in from the direction shown in the illustration.