Valve Body
VALVE BODYDISASSEMBLY AND ASSEMBLY
Disassembly Steps 1-20:

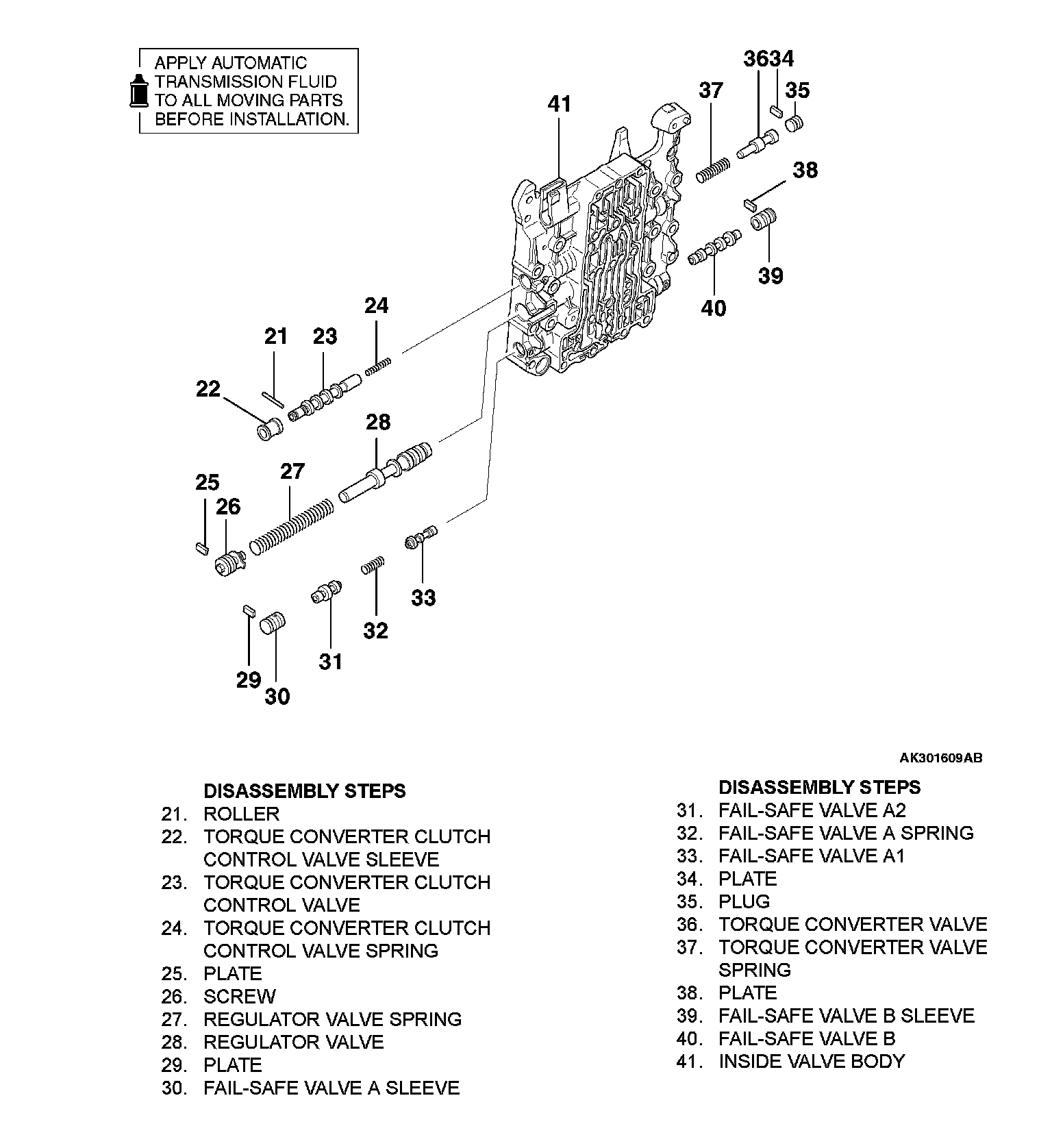
Disassembly Steps 21-41:

Disassembly Steps 42-61:

DISASSEMBLY SERVICE POINT
<> SOLENOID VALVES REMOVAL
Mark the solenoid valves with white paint to make assembly easier.
ASSEMBLY SERVICE POINTS
>>A<< SPRING, STEEL BALL, DAMPING VALVE AND DAMPING VALVE SPRING INSTALLATION

1. Install the steel balls (two pieces) and springs (two pieces) to the inside valve body as shown.
2. Install the damping valve and spring to the inside valve body as shown.
>>B<< SPRING AND STEEL BALL INSTALLATION

Install the steel balls (three pieces) and springs (two pieces) to the inside valve body as shown.
>>C<< SOLENOID VALVES INSTALLATION

1. Apply ATF or petroleum jelly (Vaseline) to the O-ring and install carefully.
2. Install the solenoid valves by referring to the marks applied during disassembly.
