Operation CHARM
: Car repair manuals for everyone.
Home
>>
Mitsubishi Truck
>>
2006
>>
Outlander L4-2.4L SOHC
>>
Repair and Diagnosis
>>
Transmission and Drivetrain
>>
Automatic Transmission/Transaxle
>>
Diagrams
>>
Exploded Views
>>
Disassembly and Assembly
Disassembly and Assembly
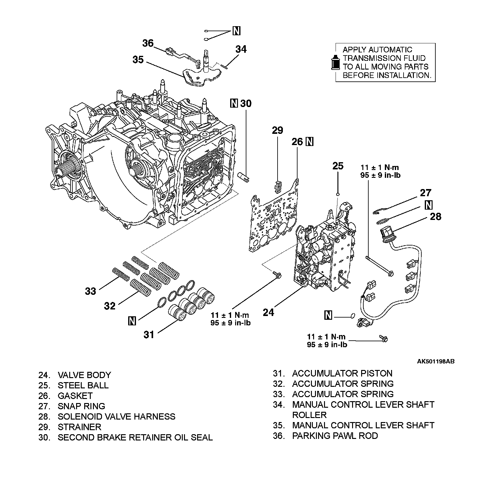
TRANSAXLE DISASSEMBLY AND ASSEMBLY
Required Special Tools:
Required Special Tools: