Operation CHARM
: Car repair manuals for everyone.
Home
>>
Mitsubishi Truck
>>
2006
>>
Outlander L4-2.4L SOHC
>>
Repair and Diagnosis
>>
Restraints and Safety Systems
>>
Air Bag Systems
>>
Diagrams
>>
Electrical Diagrams
>>
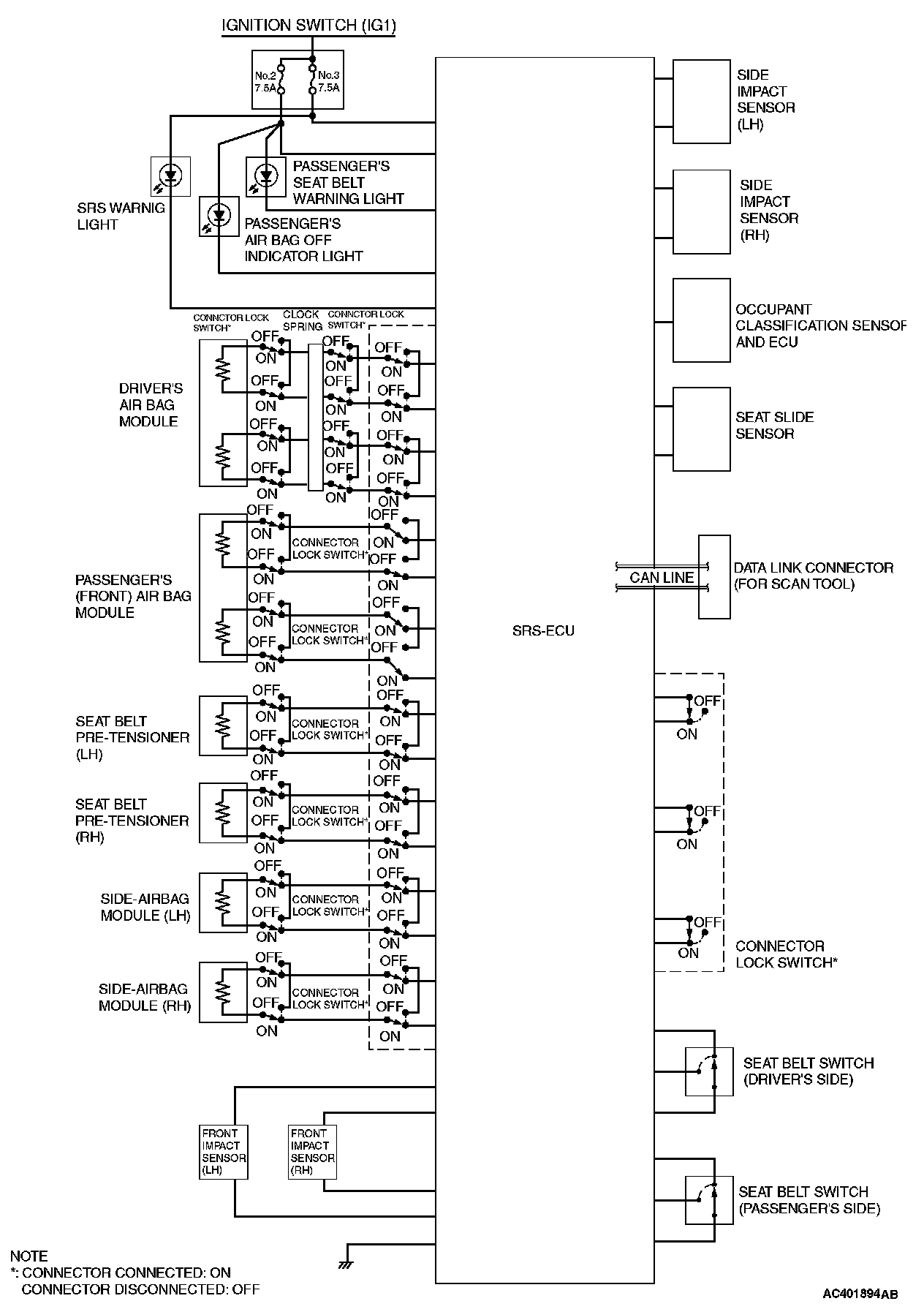
Schematic
Schematic
Schematic: