Operation CHARM
: Car repair manuals for everyone.
Home
>>
Mitsubishi Truck
>>
2006
>>
Outlander L4-2.4L SOHC
>>
Repair and Diagnosis
>>
Powertrain Management
>>
Emission Control Systems
>>
Diagrams
>>
Vacuum and Vapor Hose Diagrams
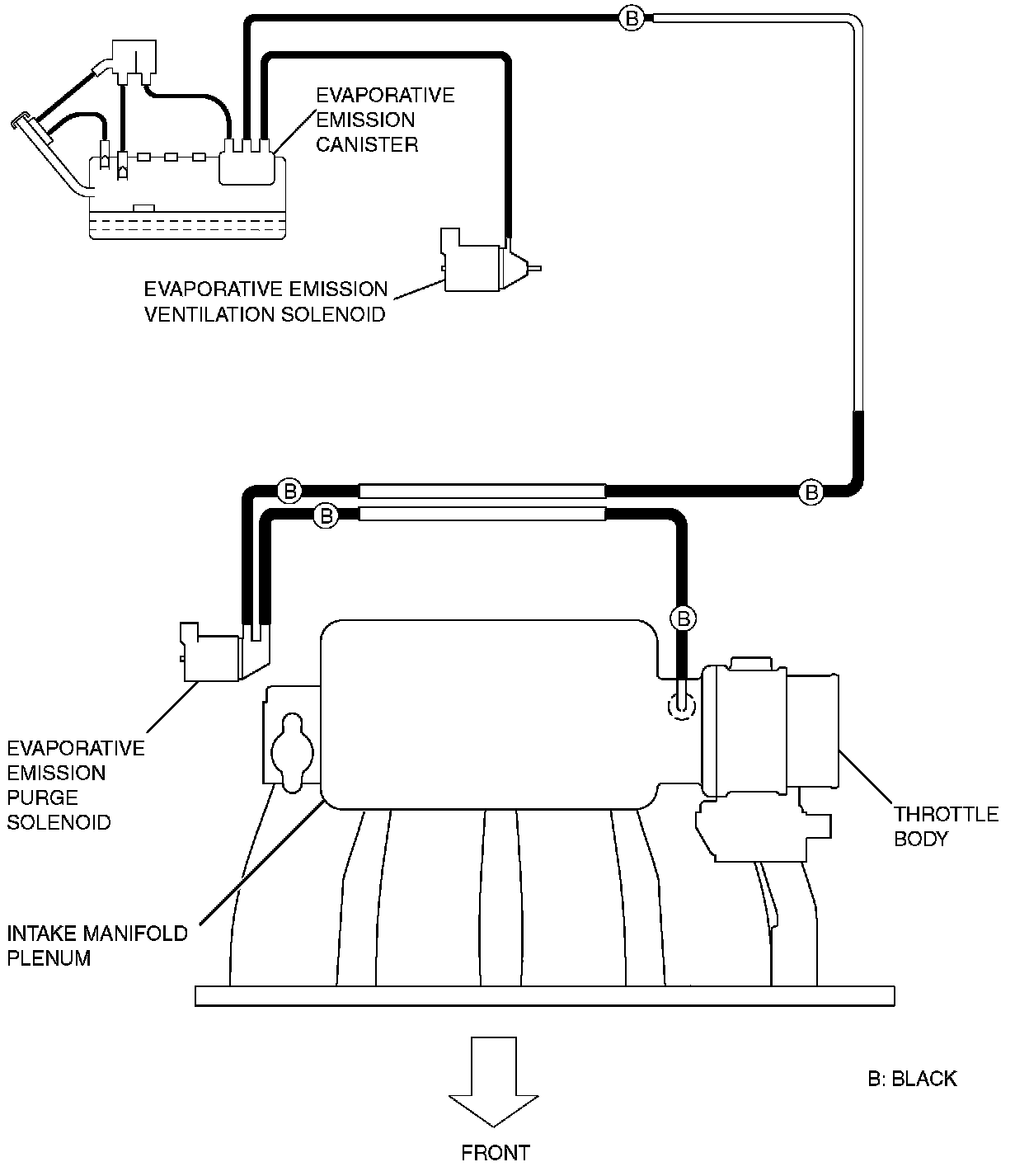
Vacuum and Vapor Hose Diagrams
Vacuum Hose Routing:
Vacuum Circuit Diagram: