Operation CHARM
: Car repair manuals for everyone.
Home
>>
Mitsubishi Truck
>>
2006
>>
Outlander L4-2.4L SOHC
>>
Repair and Diagnosis
>>
Lighting and Horns
>>
Turn Signals
>>
Diagrams
>>
Electrical Diagrams
>>
Circuit Diagram
Circuit Diagram
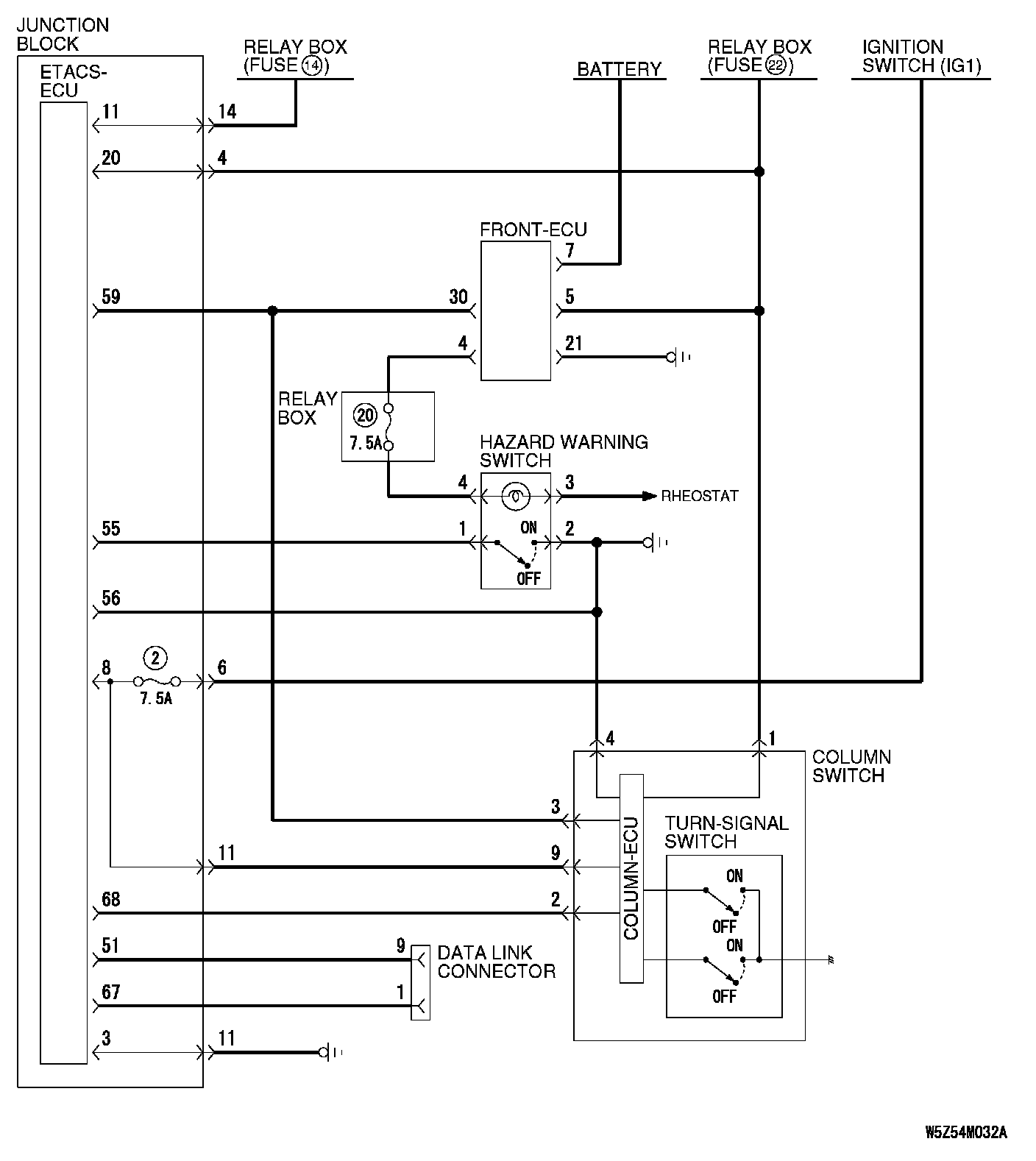
General Circuit For Turn Signal Light And Hazard Light Part 1:
General Circuit For Turn Signal Light And Hazard Light Part 2: