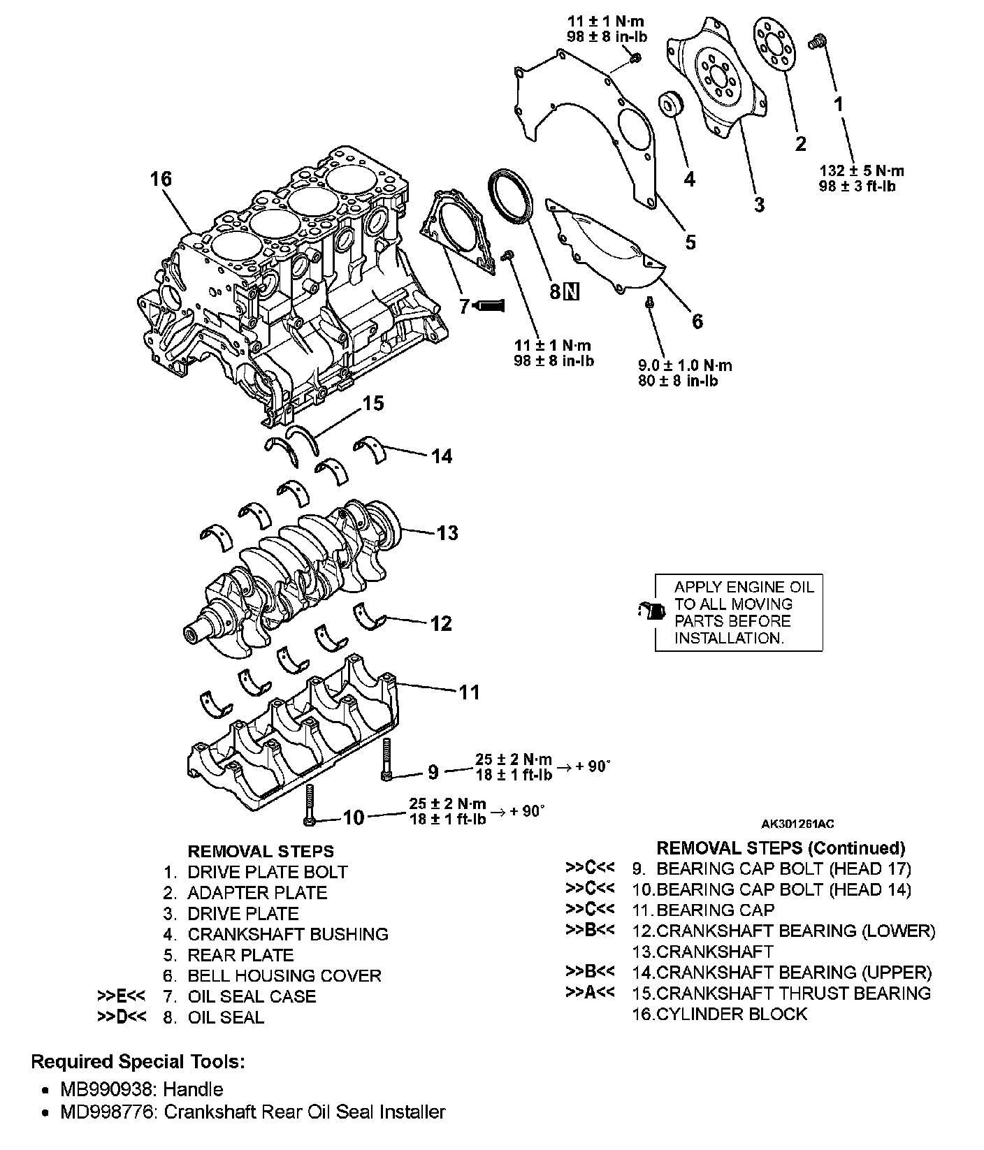
Crankshaft and Cylinder Block

CRANKSHAFT AND CYLINDER BLOCK
REMOVAL AND INSTALLATION
INSTALLATION SERVICE POINTS
]]A[[ CRANKSHAFT THRUST BEARING INSTALLATION
1. Install the two thrust bearings in the number 3 bearing bore in the cylinder block. For easier installation, apply engine oil to the bearings; this will help hold them in position.

2. The thrust bearings must be installed with their groove side toward the crankshaft web.
]]B[[ CRANKSHAFT BEARING INSTALLATION
When bearing replacement is required, select and install the correct bearing by the following procedure.

1. Measure the crankshaft journal diameter and confirm its classification from the following table. In the case of a crankshaft supplied as a service part, identification marks of its journals are stamped at the positions shown in the illustration.


2. The cylinder block bearing bore diameter identification marks are stamped at the position shown in the illustration from left to right, beginning at No.1.

For example, if the crankshaft journal outside diameter identification mark is "0" and cylinder block bearing bore identification mark is "1," select a bearing whose identification mark is "2" for number 1, 2, 4 and 5, and a bearing whose identification mark is "1" for number 3.
If there is no identification mark on the crankshaft, measure the journal outside diameter and select a bearing appropriate for the measured value.

3. Install the bearings having an oil groove to the cylinder block.
4. Install the bearings having no oil groove to the bearing cap.
]]C[[ BEARING CAP/BEARING CAP BOLT INSTALLATION
1. Install the bearing caps so that the arrow points to the timing belt side.

2. Before installing the bearing cap bolts, check that the shank length of each bolt meets the limit. If it exceeds the limit, replace the bolt.
Limit: 71.1 mm (2.79 inches)
3. Apply engine oil to the threaded portion and bearing surface of the bolt.

4. Tighten the bolts to the specified in the tightening sequence shown.
Tightening torque: 25 ± 2 Nm (18 ± 1 ft. lbs.)

5. Make a paint mark on the head of each bolt.
6. Make a paint mark on the bearing cap 90 degrees from the paint mark made on the bolt in the direction of tightening the bolt.
CAUTION:
^ If the bolt is overtightened, loosen the bolt completely and then retighten it by repeating the tightening procedure from step 4.
^ If the bolt is turned less than 90 degrees, proper fastening performance may not be achieved. Be sure to turn the bolt exactly 90 degrees.
7. Turn each bolt 90 degrees in the tightening sequence specified in step 4, and make sure that the paint marks on the bolt and cap are aligned.

8. Make sure that the crankshaft turns smoothly and the end play is correct. If the end play exceeds the limit, replace the number 3 crankshaft bearings.
Standard value: 0.05 - 0.25 mm (0.002 - 0.009 inch)
Limit: 0.40 mm (0.015 inch)
]]D[[ OIL SEAL INSTALLATION

Using special tools MD998776 and MB990938, press-fit the oil seal in the case.
]]E[[ SEALANT APPLICATION TO OIL SEAL CASE

1. Apply sealant MITSUBISHI Genuine Part number MD970389 or equivalent to the gasket surface of oil seal case.
NOTE: Be sure to install the case quickly while the sealant is wet (within 15 minutes).
2. Apply engine oil to the oil seal lip, and then install the oil seal case onto the cylinder block.
NOTE: After installation, keep the sealed area away from the oil for approximately one hour.
INSPECTION
CRANKSHAFT JOURNAL OIL CLEARANCE [PLASTIC GAUGING MATERIAL METHOD]
1. Remove oil from the crankshaft journal and crankshaft bearing.
2. Install the crankshaft.

3. Cut the plastic gauging material to the same length as the width of bearing and place it on journal in parallel with its axis.
4. Install the crankshaft bearing cap carefully and tighten the bolts to the specified torque.
5. Carefully remove the crankshaft bearing cap.

6. Measure the width of the plastic gauging material at its widest part by using a scale printed on the plastic gauging material package.
Standard value: 0.02 - 0.04 mm (0.0008 - 0.0015 inch)
Limit: 0.1 mm (0.003 inch)
CYLINDER BLOCK

1. Visually check for scratches, rust, and corrosion. Use also a flaw detecting agent for the check. If defects are evident, correct or replace.
2. Using a straightedge and feeler gauge, check the block top surface for warpage. Make sure that the surface is free from gasket chips and other foreign matter.
Standard value: 0.05 mm (0.0020 inch)
Limit: 0.1 mm (0.003 inch)
3. If the distortion is excessive, correct within the allowable limit or replace.
Grinding limit: 0.2 mm (0.007 inch)
*Includes/combined with cylinder head grinding
Cylinder block height (when new): 290 mm (11.4 inches)
4. Check cylinder walls for scratches and seizure. If defects are evident, replace or bore to oversize and replace pistons and piston rings.

5. Using a cylinder gauge, measure the cylinder bore and cylindrically. If worn badly, correct the cylinder to an oversize and replace the piston and piston rings. Measure at the points shown in the illustration.
Standard value:
Cylinder inner diameter 87.0 mm (3.43 inches)
Cylindrically 0.01 mm (0.0003 inch) or less
BORING CYLINDER

1. Oversize pistons to be used should be determined on the basis of the largest bore cylinder.

Piston size identification
NOTE: Size mark is stamped on the piston top.
2. Measure the Outside Diameter (OD) of the piston to be used. Measure it in thrust direction as shown.
3. Based on the measured piston OD, calculate the boring finish dimension.
Boring finish dimension = Piston OD + (clearance between piston OD and cylinder) - 0.02 mm (0.0008 inch) (honing margin)
CAUTION: To prevent distortion that may result from temperature rise during honing, bore cylinders, working from number 2 to number 4 to number 1 to number 3.
4. Bore all cylinders to the calculated boring finish dimension.
5. Hone to the final finish dimension (piston OD + clearance between piston OD and cylinder).
6. Check the clearance between the piston and cylinder.
Clearance between piston and cylinder: 0.02 - 0.04 mm (0.0008 - 0.0015 inch)
NOTE: When boring cylinders, finish all of four cylinders to the same oversize. Do not bore only one cylinder to an oversize.