Operation CHARM
: Car repair manuals for everyone.
Home
>>
Mitsubishi Truck
>>
2006
>>
Outlander L4-2.4L SOHC
>>
Repair and Diagnosis
>>
Diagrams
>>
Electrical Diagrams
>>
Wiper and Washer Systems
>>
System Diagram
>>
Circuit Diagram
>>
Front
Front
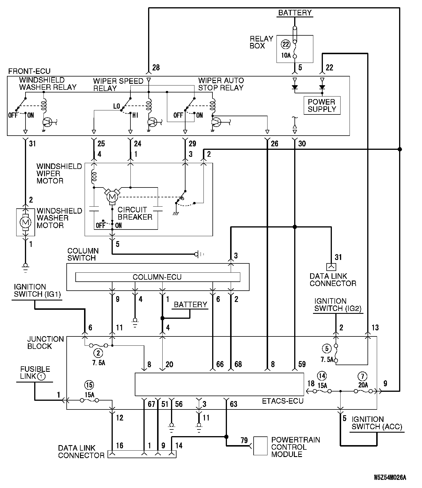
General Circuit Diagram For The Windshield Wiper And Washer: