Operation CHARM
: Car repair manuals for everyone.
Home
>>
Mitsubishi Truck
>>
2006
>>
Outlander L4-2.4L SOHC
>>
Repair and Diagnosis
>>
Diagrams
>>
Electrical Diagrams
>>
Sunroof / Moonroof
>>
Circuit Diagram
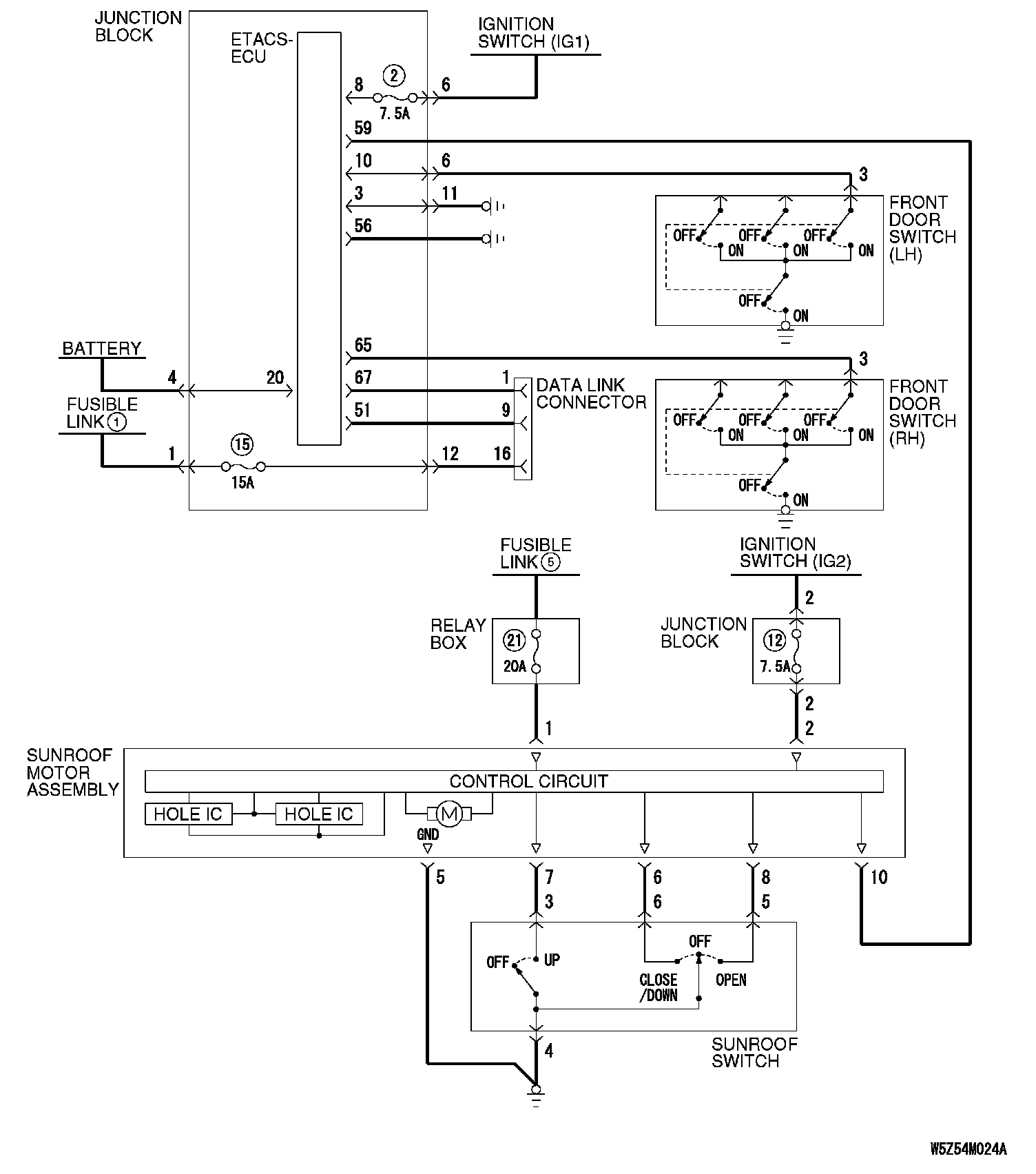
Circuit Diagram
General Circuit Diagram Regarding The Sunroof: