Lamp Out Indicator
Taillight, Position Light, License Plate Light And Lighting Monitor Tone Alarm Part 1:

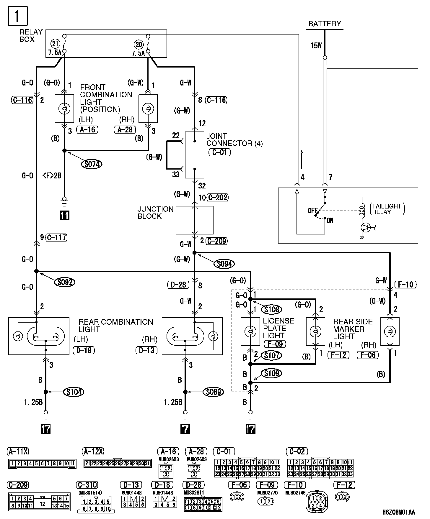
Taillight, Position Light, License Plate Light And Lighting Monitor Tone Alarm Part 2:

Taillight, Position Light, License Plate Light And Lighting Monitor Tone Alarm Part 3:

Taillight, Position Light, License Plate Light And Lighting Monitor Tone Alarm Part 4:

Connector/Component Locations: The locations of connectors and components referred to within these diagrams can be found via the connector number at Vehicle Connector Locations. Connector Locations
Splice Locations: The locations of Splices referred to within these diagrams can be found via the splice number at Vehicle Splice Locations. Splice Locations
Ground Locations: The locations of grounds referred to within these diagrams can be found via the ground number at Vehicle Ground Locations. Ground Locations