Operation CHARM
: Car repair manuals for everyone.
Home
>>
Mitsubishi Truck
>>
2006
>>
Outlander L4-2.4L SOHC
>>
Repair and Diagnosis
>>
Diagrams
>>
Electrical Diagrams
>>
Keyless Entry
>>
Circuit Diagram
>>
Keyless Entry System
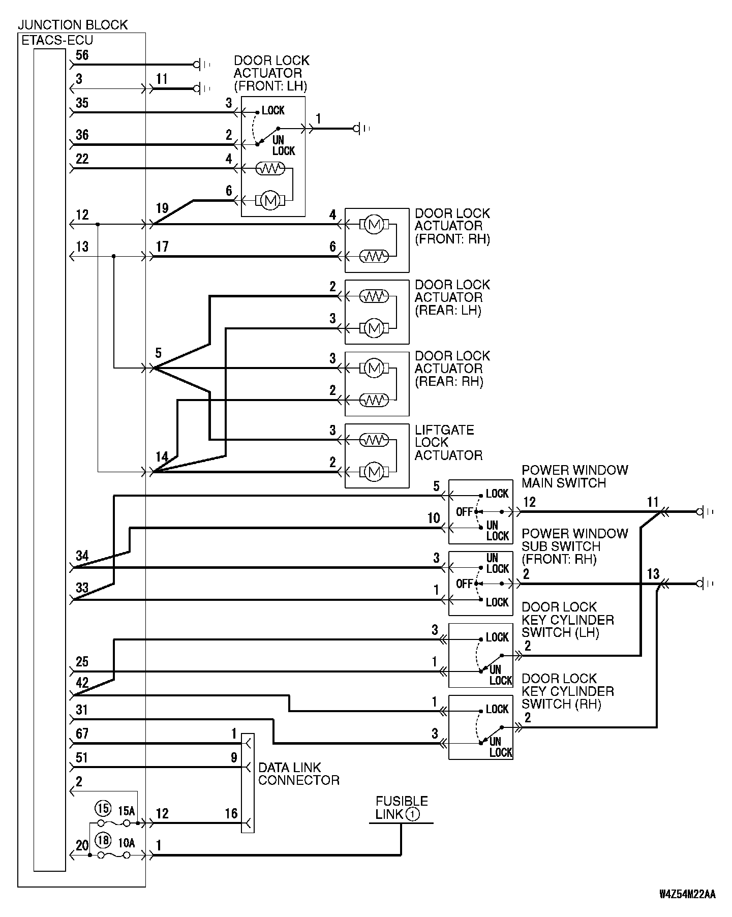
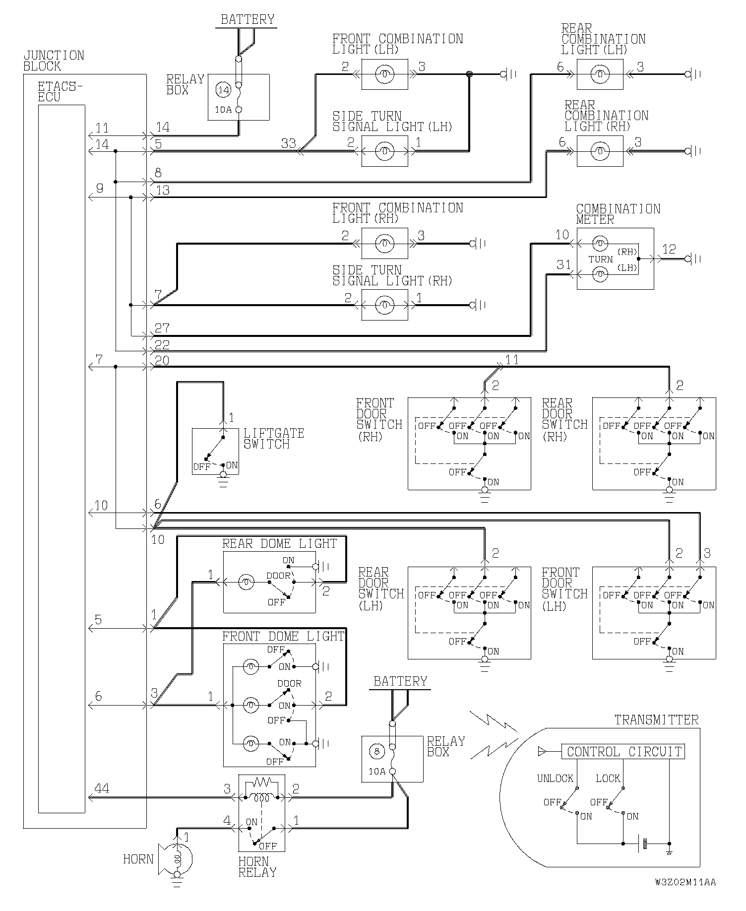
Keyless Entry System
General Circuit Diagram For The Keyless Entry System part 1:
General Circuit Diagram For The Keyless Entry System Part 2: