Operation CHARM
: Car repair manuals for everyone.
Home
>>
Mitsubishi Truck
>>
2006
>>
Outlander L4-2.4L SOHC
>>
Repair and Diagnosis
>>
Diagrams
>>
Electrical Diagrams
>>
Dome Lamp
>>
Circuit Diagram
Circuit Diagram
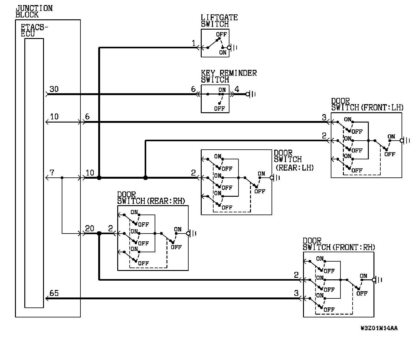
General Circuit Diagram For Interior Lights Part 1:
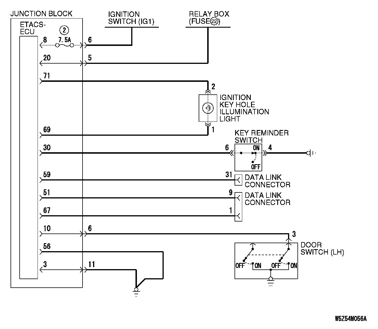
General Circuit Diagram For Interior Lights Part 2:
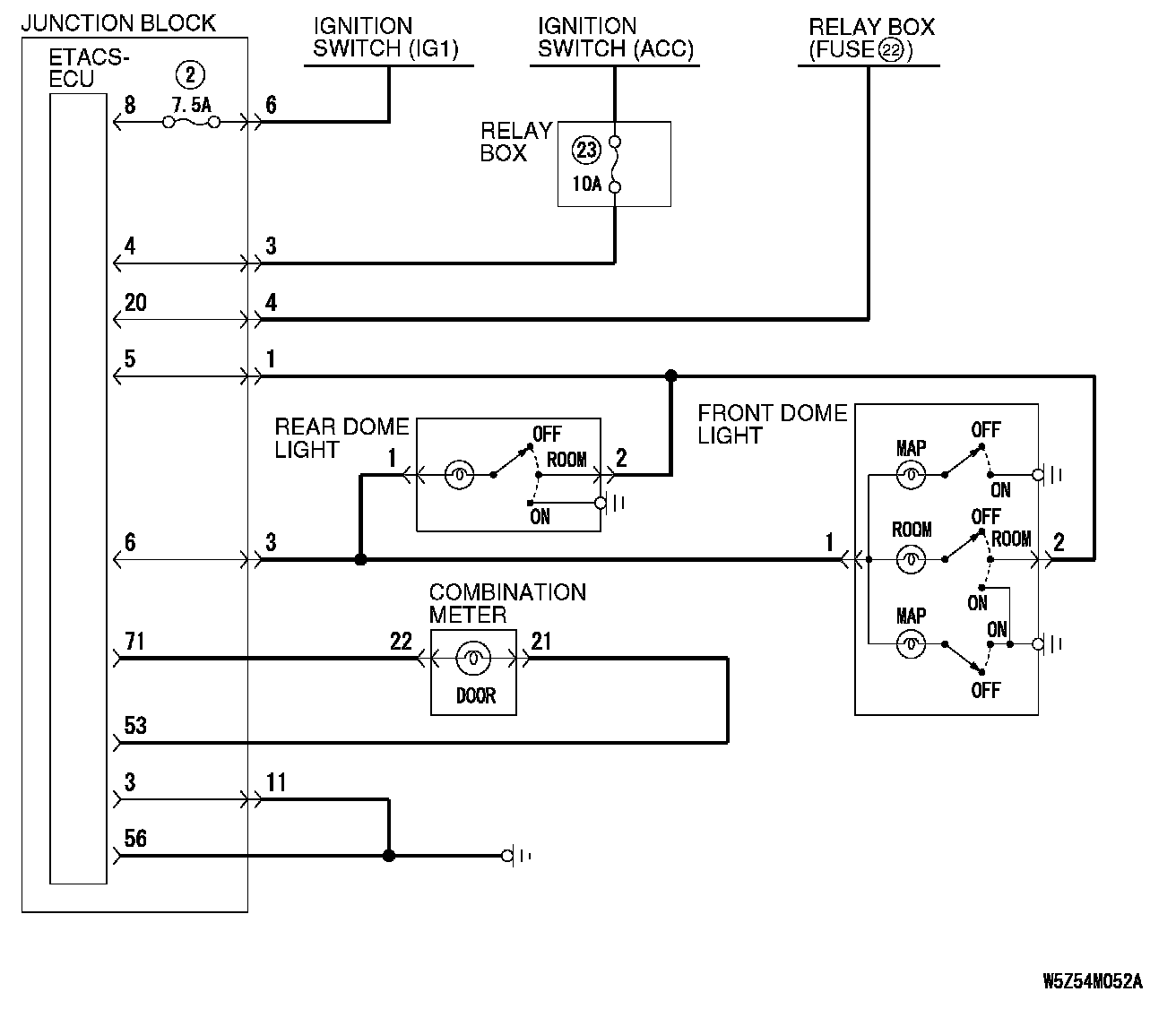
General Circuit Diagram For Interior Lights Part 3: