Wiring Diagrams
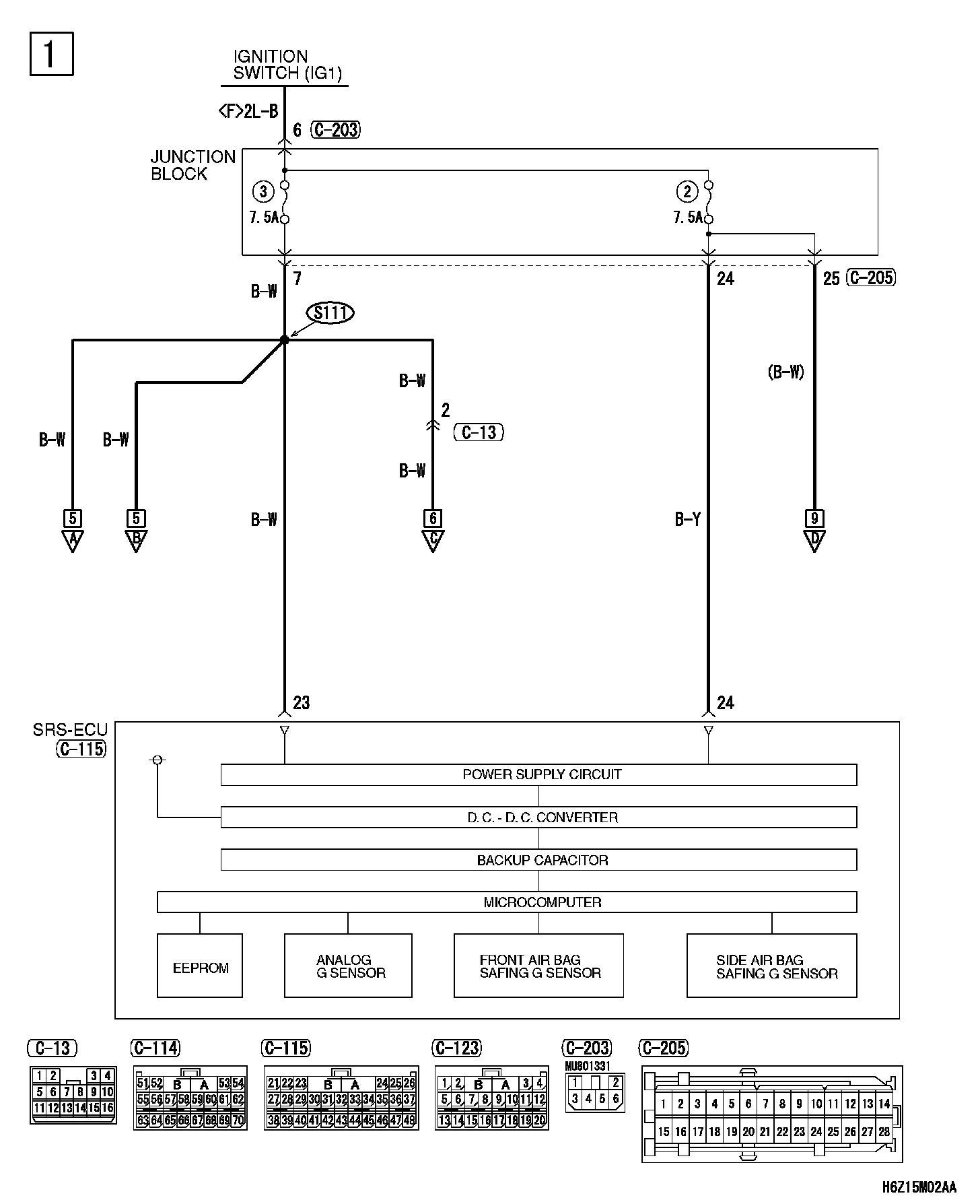
Supplemental Restraint System (SRS) Part 1:

Supplemental Restraint System (SRS) Part 2:

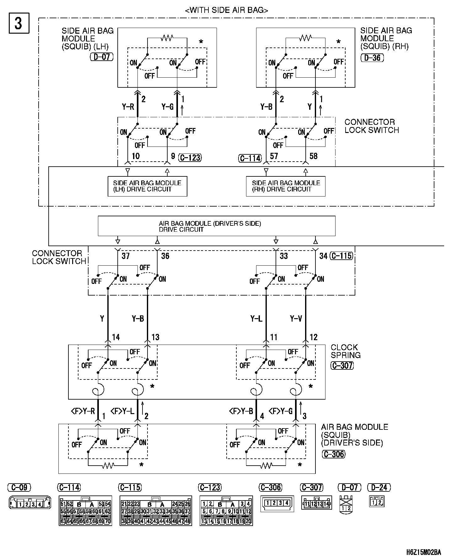
Supplemental Restraint System (SRS) Part 3:

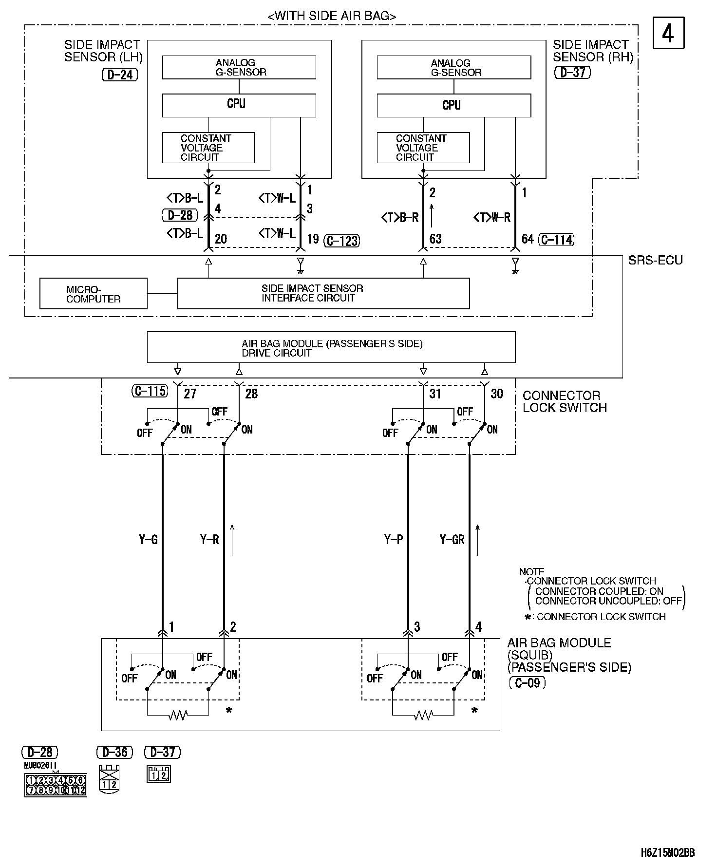
Supplemental Restraint System (SRS) Part 4:

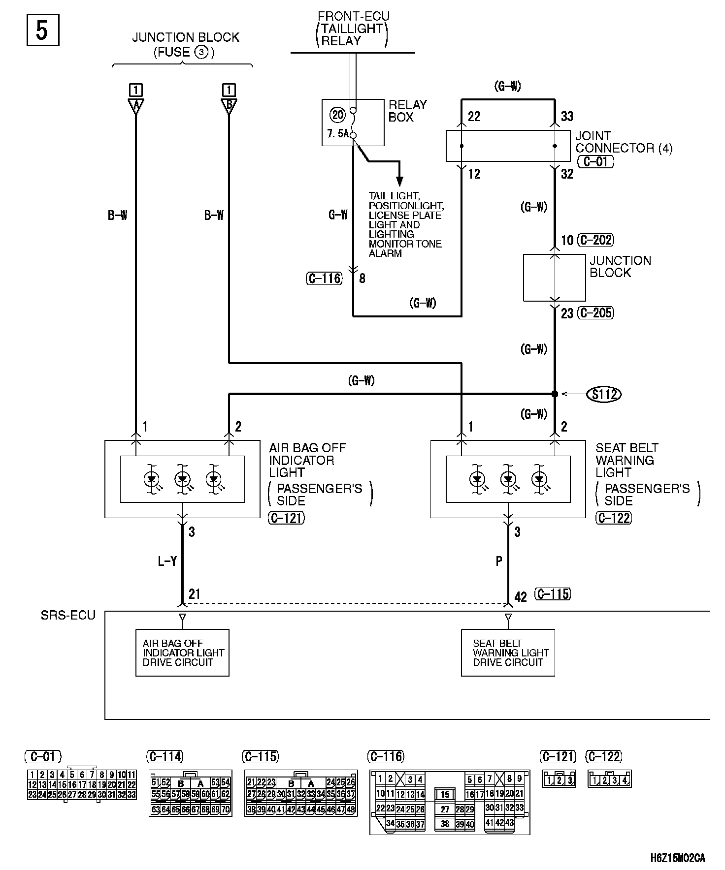
Supplemental Restraint System (SRS) Part 5:

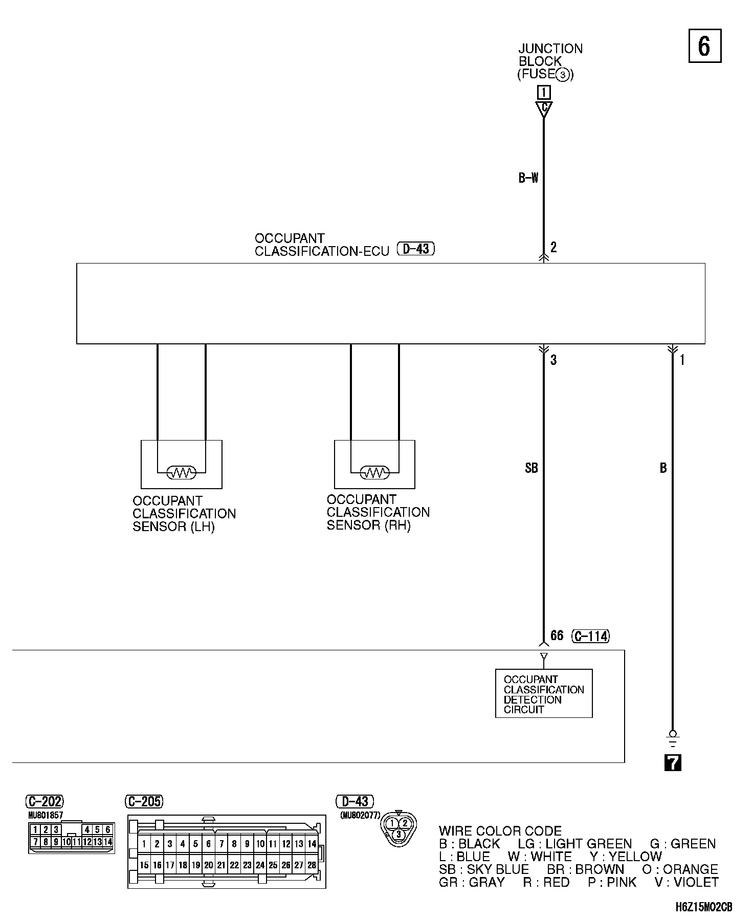
Supplemental Restraint System (SRS) Part 6:

Supplemental Restraint System (SRS) Part 7:

Supplemental Restraint System (SRS) Part 8:

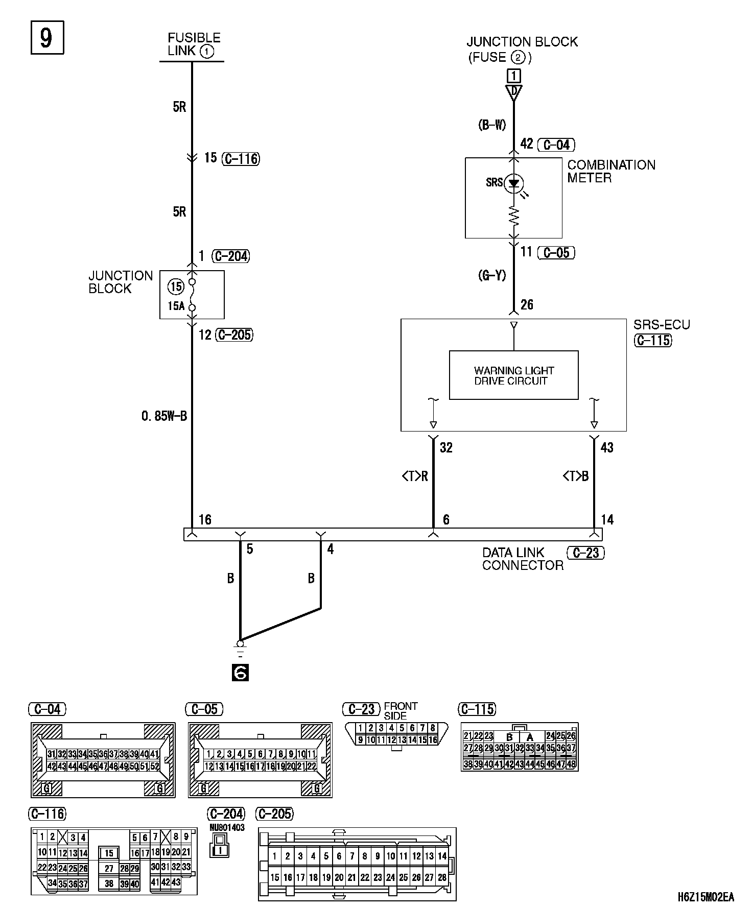
Supplemental Restraint System (SRS) Part 9:

Connector/Component Locations: The locations of connectors and components referred to within these diagrams can be found via the connector number at Vehicle Connector Locations. Connector Locations
Splice Locations: The locations of Splices referred to within these diagrams can be found via the splice number at Vehicle Splice Locations. Splice Locations
Ground Locations: The locations of grounds referred to within these diagrams can be found via the ground number at Vehicle Ground Locations. Ground Locations