Operation CHARM: Car repair manuals for everyone.

Circuit Diagram

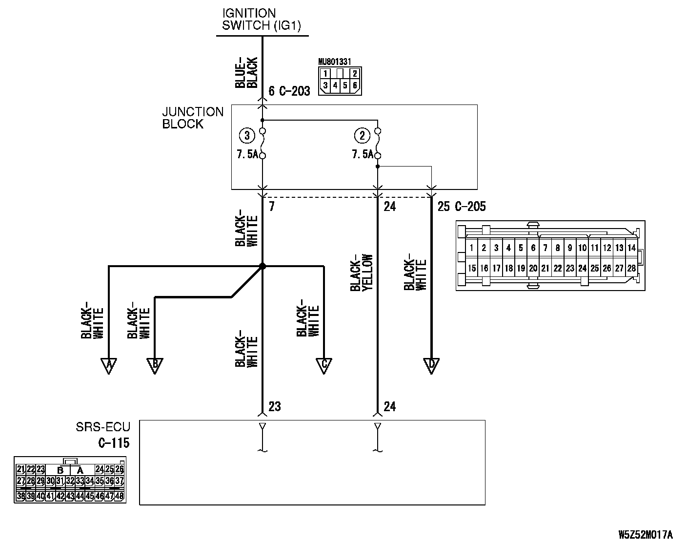
CIRCUIT DIAGRAM

Circuit Diagram Part 1:




Circuit Diagram Part 2:




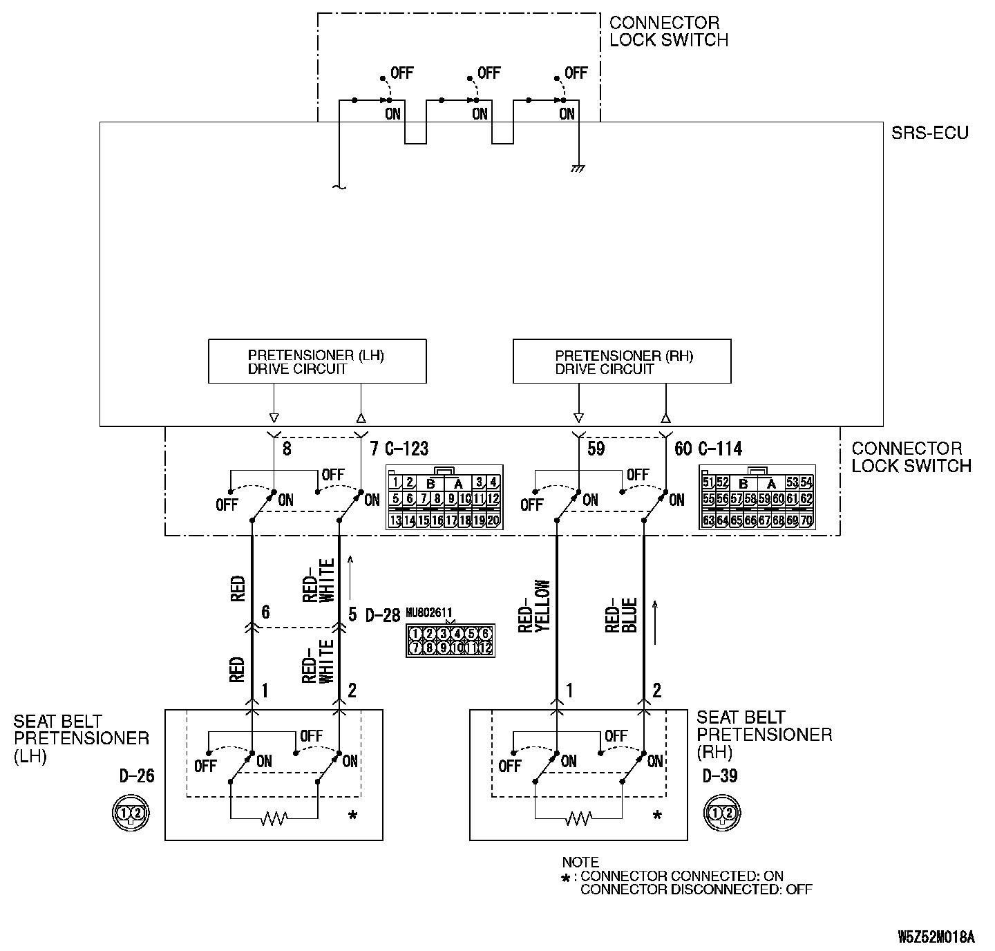
Circuit Diagram Part 3:




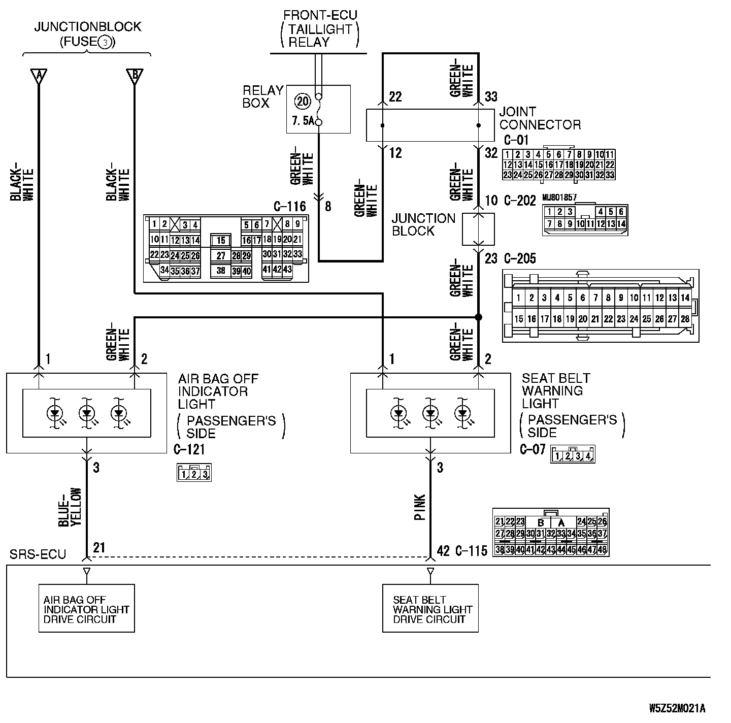
Circuit Diagram Part 4:




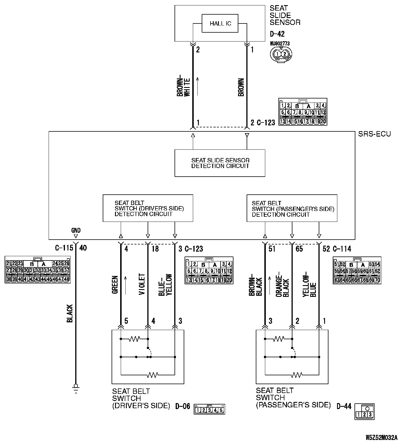
Circuit Diagram Part 5:




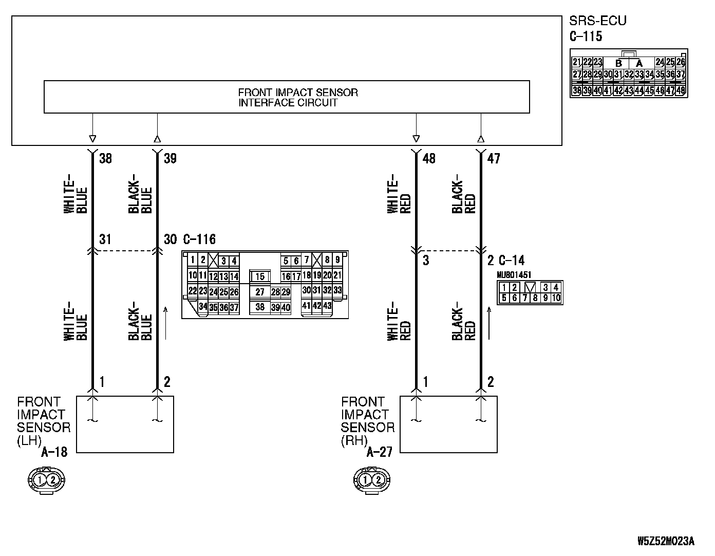
Circuit Diagram Part 6:




Circuit Diagram Part 7:




Circuit Diagram Part 8:




Circuit Diagram Part 9:






WARNING:
- Do not repair, splice, or modify the SRS wiring (except for specific repairs to the instrument panel wiring harness and the floor wiring harness) : replace the wiring if necessary, after reading and following all precautions and procedures.
- Do not use an analog ohmmeter to check the SRS wiring or components; use only the special tools and a digital multi-meter.


CAUTION: Improper services cause the system to be inoperative. Do not disassemble or tamper with the SRS components to prevent serious injury.