Operation CHARM
: Car repair manuals for everyone.
Home
>>
Mitsubishi Truck
>>
2006
>>
Outlander L4-2.4L SOHC
>>
Repair and Diagnosis
>>
Body and Frame
>>
Locks
>>
Keyless Entry
>>
Diagrams
>>
Electrical Diagrams
>>
Circuit Diagram
>>
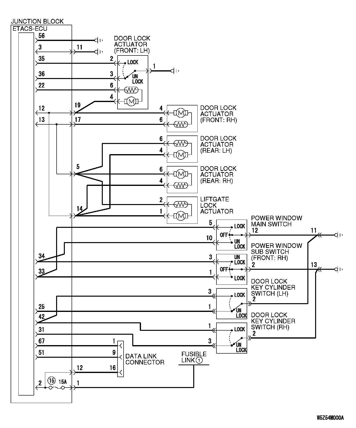
Central Door Locking System
Central Door Locking System
General Circuit Diagram For The Central Door Locking System: