Antitheft and Alarm Systems: Description and Operation
GENERAL DESCRIPTION CONCERNING THE TONE ALARM
The ECU related to the alarm function types and various control functions.
IGNITION KEY REMINDER TONE ALARM FUNCTION

When the driver's door is opened with the ignition key inserted in the ignition key cylinder (ignition switch is in the OFF position,) the tone alarm sounds intermittently (horning sound) to indicate that the ignition key has not been removed.
LIGHT REMINDER TONE ALARM FUNCTION

When the tail light or headlight is ON, if the ignition key is removed and the driver's door is opened, a tone alarm will sound continuously to warn that the light is illuminated. However, if the tail light or headlight has been turned off by the headlight automatic-shutdown function, the tone alarm will not sound.
SEAT BELT TONE ALARM FUNCTION
Seat Belt Tone Alarm Function:

If any of the following conditions is met with the ignition switch at "ON" or "ST", the ETACS-ECU sounds the tone alarm by using the driver's seat belt switch signal and the vehicle speed signal.
- Sounds the tone alarm for six seconds when IG1 is turned"ON" with the seat belt switch on (the driver's seat belt is not fastened). (timer operation)
- Sounds the tone alarm 12 cycles (after 0.5 seconds) if any of the following conditions is met when sixty seconds or more have elapsed since IG1 is turned "ON". One cycle consists of five-second "on" and then three-second "off".
a. The vehicle speed has reached 8 km/h (5 mph) while the seat belt switch is turned on (driver's seat belt is not fastened) with IG1 "ON.
b. The seat belt switch has been turned on (driver's seat belt has not been fastened) for at least ten seconds while IG1 has been turned "ON" and the vehicle speed has been 8 km/h (5 mph) or more.
NOTE: Once the tone alarm has sounded 12 cycles, it does not sound again until the vehicle speed reduces to 3 km/h (2 mph) or less.
The tone alarm stops sounding if IG1 or the seat belt switch is turned off (the driver's seat belt is fastened) while the timer operation is active.
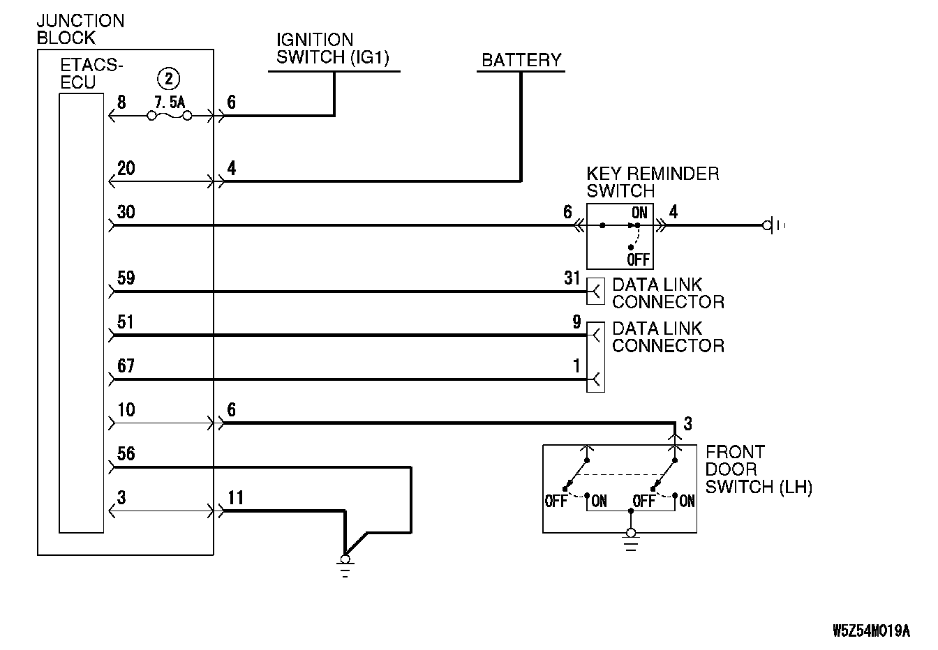
General Circuit Diagram For Ignition Key Reminder Tone Alarm Function:

GENERAL CIRCUIT DIAGRAM FOR IGNITION KEY REMINDER TONE ALARM FUNCTION
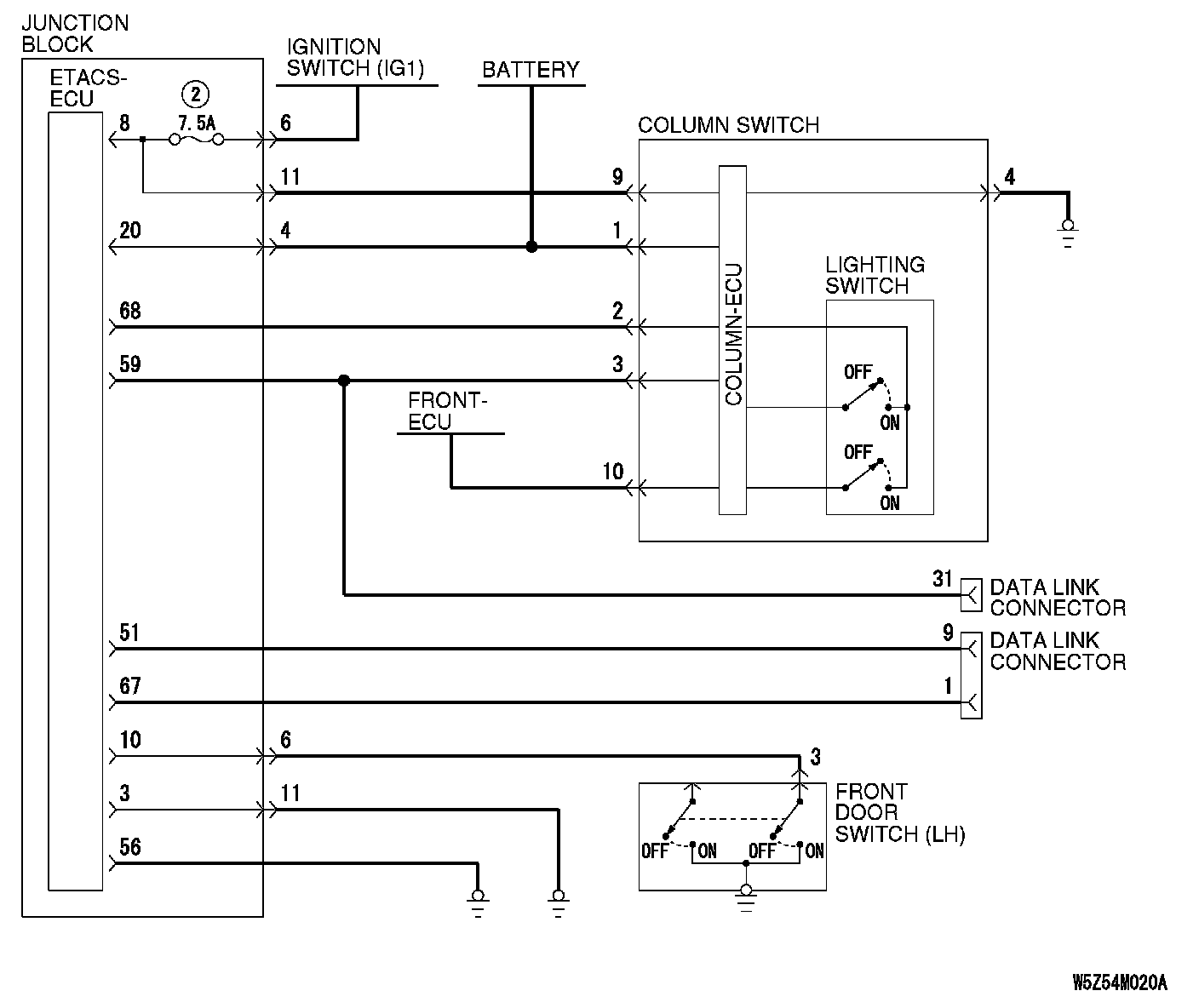
General Circuit Diagram For Light Reminder Tone Alarm Function:

GENERAL CIRCUIT DIAGRAM FOR LIGHT REMINDER TONE ALARM FUNCTION
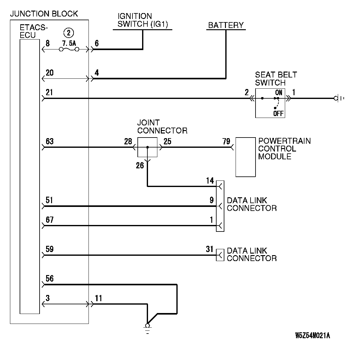
General Circuit Diagram For Seat Belt Tone Alarm Function:

GENERAL CIRCUIT DIAGRAM FOR SEAT BELT TONE ALARM FUNCTION