Operation CHARM
: Car repair manuals for everyone.
Home
>>
Mitsubishi Truck
>>
2006
>>
Outlander L4-2.4L SOHC
>>
Parts and Labor
>>
Starting and Charging
>>
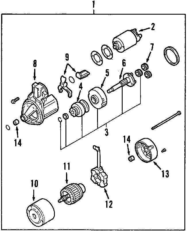
Starting System
>>
Images
Images
Starting System: